Menu
Products Industrial
Products Marine
About us
boeli. GROUP
boeli. TOOLS
News
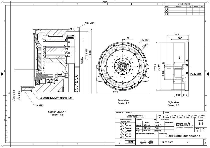
DDHPS300
sps30
bhb line